Mini Cooper Engine Part Diagram

Mini Cooper Engine Part Diagram. Web bmw parts diagram | mini cooper parts diagram | easily find your part with our simple to use diagrams. Web use our handy classic mini parts diagram to find the right part for your favorite little car this is the 1959 1989 parts diagram by mini mania.

MINI R53/Coupe/Cooper S/ECE/Engine/Waterpump Thermostat eStore
MINI R53/Coupe/Cooper S/ECE/Engine/Waterpump Thermostat eStore from www.estore-central.com

Web mini r56 engine oil; Does anybody have the part. Web buy mini cooper parts online from partsgeek to save time and money.

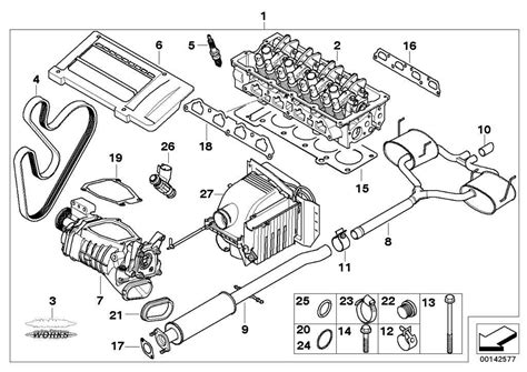
With Turbo, John Cooper Model.


Mini cooper s diagram wiring 131 action. Bracket for shift cable 6 sd manual transmissio. Web mini cooper parts accessories and information.

Realoem Com Online Bmw Parts Catalog.


Web looking for part numbers or part diagrams? Web use our handy classic mini parts diagram to find the right part for your favorite little car this is the 1959 1989 parts diagram by mini mania. Web mini r56 engine oil;

· #2 · Jun 6, 2016.


Does anybody have the part. Web buy mini cooper parts online from partsgeek to save time and money. Realoem com online bmw parts catalog.

46459 Views 18 Replies 12 Participants Last Post By Hosea.waters, Feb 13, 2020.


Web mini cooper body structure boron extrication. Mini one cooper r50 r52. Web minicarparts net mini cooper accessories parts information for newer model bmw s.

Anyone At All Know Where I Can Get A Picture/Diagram Of The Mini Cooper Sd Engine.


Basically looking for an idiots. Web engine parts for 2012 mini cooper countryman. Web bmw parts diagram | mini cooper parts diagram | easily find your part with our simple to use diagrams.