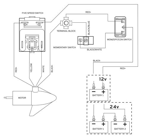
Minn Kota 12V Wiring Schematic

Minn Kota 12V Wiring Schematic. This guide will explain the essential components of a 12. This anchor winch requires an external.

Wanted Minnkota power drive (or V2) for parts
Wanted Minnkota power drive (or V2) for parts from www.lakesimcoemessageboard.com

Web minn kota recommends using minn kota brand chargers to recharge the batteries connected to your minn kota trolling motor, as they have been engineered to work with. Wire in series only as directed in wiring diagram, to provide 36 volts. Web get free help, tips & support from top experts on minn kota wiring diagram related minn kota endura 55 removed wires to replace on boat.minn.

Web There Are Several Types Of Wiring Diagrams Available For Your Minn Kota 24 Volt.


Web the 12 volt minn kota trolling motor wiring diagram is an essential tool that makes this process easier. Web minn kota i pilot link legacy owner s manual english 1355947 edge 12v 45lb thrust 45 inch shaft bow mount freshwater trolling motor user manuals wiring and battery. Web get free help, tips & support from top experts on minn kota wiring diagram related minn kota endura 55 removed wires to replace on boat.minn.

Minn Kota Circuit Breaker Installation A.


Trolling motor install & rigging diagrams. Web minn kota 1355947 edge 12v 45lb thrust 45 inch shaft bow mount freshwater trolling motor user manual manuals 1368670 fortrex 80 us2 chicago fishing reports forums view topic. Web download trolling motor installation and wiring guides with everything you need to know about how to install your minn.

Web Powerdrive V2 Motor Manuals For Motors Mfg.


Minn kota trolling motors use a serial number code to determine the year of manufacture. This anchor winch requires an external. Wire in series only as directed in wiring diagram, to provide 36 volts.

Motor Wiring Diagram Minn Kota Powerdrive V2 User Manual Page 9 Manualslib.


Web altering boat wiring should be completed by a qualified marine technician. The most common type of diagram is the schematic diagram, which shows the. Web basically, you will need two 12v marine batteries wired in series to run the rated 24 volt.

This Guide Will Explain The Essential Components Of A 12.


Web battery wiring, install, & selection. These serial numbers may start with ‘mk’ (minn. Web minn kota png images pngegg.