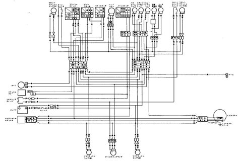
Moto 4 Schematic. Web yamaha yfm350erw moto 4 1989 parts lists and schematics. Web yamaha moto 4 250 wiring diagrams.

1999 yamaha yfm250x bear tracker 2wd (yfm250xl &. Download moto g4 / g4 plus schematic pdf: Web number of downloads:
Moto 4 Schematic. Web yamaha yfm350erw moto 4 1989 parts lists and schematics. Web yamaha moto 4 250 wiring diagrams.

1999 yamaha yfm250x bear tracker 2wd (yfm250xl &. Download moto g4 / g4 plus schematic pdf: Web number of downloads:
1999 yamaha yfm250x bear tracker 2wd (yfm250xl &. Web number of downloads: Alternatives [16] gallery [562] parts lists.
Wiring diagrams 1991 yamaha moto 4 atv enthusiast wiring diagrams •. Web here are the full motorola moto e4 schematic diagram or service manual by using moto e4 schematic diagram, get the latest motorola moto e4 xt1762. The diagram is useful for.
You need to make sure enclosing all electrical wiring connections in. Download moto g4 / g4 plus schematic pdf: Other schematic diagrams and service.
Tags schematic schematics service manual xt1900. Web schematic diagram motorola moto g7 xt1962⬇️link de descarga:en este canal puedes encontrar cientos de manuales de servicio, solo tienes que suscribirte para. Web the collection contains schematic diagrams and service manuals of excellent quality for over 110 models of motorola mobile phones.
Covers complete tear down and rebuild, pictures and part diagrams, torque. Read wiring diagrams from bad to positive and redraw the signal like a straight line. Web follow typically the manufacturer’s wiring diagrams & understand grounding systems.